苏州leyu集团光电科技有限公司提供的BPFOTF系列手动可调谐光线缆滤波器基于专有的薄膜腔滤光片技术,可提供波长为1005nm至2150nm的光纤可调谐滤光片,同时可定制其他中心波长。它可在高达100 nm的宽光谱范围内连续可调,峰值带宽为1 nm。波长调谐是通过手动旋转精密千分尺进行的。 我们独特的高可靠性和低插入损耗设计为从光纤网络到光纤传感询问的OEM应用提供了最具成本效益的解决方案。
波长为1005nm至2150nm
手动版本
高性价比
苏州leyu集团光电科技有限公司提供的BPFOTF系列手动可调谐光线缆滤波器基于专有的薄膜腔滤光片技术,可提供波长为1005nm至2150nm的光纤可调谐滤光片,同时可定制其他中心波长。它可在高达100 nm的宽光谱范围内连续可调,峰值带宽为1 nm。波长调谐是通过手动旋转精密千分尺进行的。 我们独特的高可靠性和低插入损耗设计为从光纤网络到光纤传感询问的OEM应用提供了最具成本效益的解决方案。
当前的标准配置已批量生产,因此具有低成本优势。其他波长可以定制,需要额外成本来制作滤光片。
典型产品性能:
|
参数/规格 |
Min |
Typical |
Max |
Unit |
|
|
中心波长 |
350 |
|
2400 |
nm |
|
|
可调范围[1] |
- |
+-30 |
+-50 |
nm |
|
|
调谐分辨率 |
- |
0.1 |
- |
nm |
|
|
插入损耗[2] |
1.5 |
2 |
3.5 |
dB |
|
|
滤波带宽 @-3dB |
- |
1 |
1.2 |
nm |
|
|
滤波带宽 @-20dB |
- |
10 |
- |
nm |
|
|
带外抑制 |
- |
30 |
- |
dB |
|
|
偏振相关损耗/PDL(SMF版本) |
- |
0.15 |
0.35 |
dB |
|
|
偏振模色散/PMD(SMF版本) |
- |
- |
0.5 |
ps |
|
|
消光比(PMF版本) |
18 |
23 |
- |
dB |
|
|
光回波损耗 |
40 |
- |
- |
dB |
|
|
光功率 (CW) |
标准版本 |
- |
0.5 |
|
W |
|
高功率版本 |
- |
10 |
|
W |
|
|
工作温度范围 |
0 |
20 |
60 |
°C |
|
|
存储温度范围 |
-10 |
- |
70 |
°C |
|
*1.波长越长,调谐范围越大。
*2.使用具有透射峰积分的宽带光源测量。 如果激光源与滤光片轮廓不匹配,则会出现额外损耗。可以定制特殊的光纤滤波器以匹配对应应用。纤芯越小,插入损耗损耗越大。不包括连接器损耗。联系leyu集团光电获取多详情。
*3.参数规格如有更改,恕不另行通知,联系leyu集团光电确认。
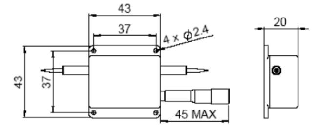
产品尺寸 (mm)
典型传输曲线:
|
|
|
|
插入损耗vs波长| 1550nm波段参考 |
透过率vs波长| 1550nm波段参考 |
产品选型:
|
BPFOTF- |
2 |
中心波长 |
功率版本 |
封装版本 |
光纤 |
尾纤类型 |
光纤长度 |
接头类型 |
|
BPFOTF=系列 |
2=手动版本 |
1=2100±60nm |
1=标准功率 |
2=标准封装 |
1=SMF-28 |
1=裸纤 |
1=0.25m |
1=None |
|
|
|
2=2000±50nm |
2=高功率 |
0=Special |
2=HI 1060 |
2=2mm套管 |
2=0.5m |
2=FC/PC |
|
|
|
4=1960±40nm |
0=Special |
|
3=PM980 |
3=900um套管 |
3=1.0m |
3=FC/APC |
|
|
|
A=1850±50nm |
|
|
4=PM1550 |
0=Special |
0=Special |
4=SC/PC |
|
|
|
7=1620±40nm |
|
|
0=Special |
|
|
5=SC/APC |
|
|
|
5=1550±40nm |
|
|
|
|
|
0=Special |
|
|
|
9=1550±50nm |
|
|
|
|
|
|
|
|
|
8=1480±40nm |
|
|
|
|
|
|
|
|
|
3=1310±40nm |
|
|
|
|
|
|
|
|
|
C=1130±40nm |
|
|
|
|
|
|
|
|
|
6=1060±40nm |
|
|
|
|
|
|
|
|
|
B=1005±45nm |
|
|
|
|
|
|
|
|
|
0=Special |
|
|
|
|
|
|
*可定制其他波长,联系leyu集团光电获取更多信息。
